BT MAS - 403 ADAPTOR FOR DRILL CHUCK
 

 
TYPE
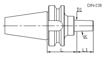
BTxK
L
LI
D
BT30xJTA1
30
16.67
9.754
BT30xJTA2S
30
19.05
13.94
BT30xJTA2
30
22.225
14.199
BT30xJTA33
30
25.400
15.850
BT30xJTA6
30
25.400
17.170
BT30xJTA3
30
30.96
20.599
 
BT40xJTA1
45
16.67
9.754
BT40xJTA2S
45
19.05
13.94
BT40xJTA2
45
22.225
14.199
BT40xJTA33
45
25.400
15.850
BT40xJTA6
45
25.400
17.170
BT40xJTA3
45
30.96
20.599

BT45xJTA1
45
16.67
9.754
BT45xJTA2S
45
19.05
13.94
BT45xJTA2
45
22.225
14.199
BT45xJTA33
45
25.400
15.850
BT45xJTA6
45
25.400
17.170
BT45xJTA3
45
30.96
20.599

BT50xJTA1
45
16.67
9.754
BT50xJTA2
45
19.05
13.94
BT50xJTA2
45
22.225
14.199
BT50xJTA33
45
25.400
15.850
BT50xJTA6
45
25.400
17.170
BT50xJTA3
45
30.96
20.599

BT40xB10
45
14.500
10.094
BT40xB12
45
18.500
12.065
BT40xB16
45
24.000
15.733
BT40xB18
45
32.000
17.780
BT40xB22
45
40.500
21.793

BT45xB10
45
14.500
10.094
BT45xB12
45
18.500
12.065
BT45xB16
45
24.000
15.733
BT45xB18
45
32.000
17.780
BT45xB22
45
40.500
21.793

BT50xB10
45
14.500
10.094
BT50xB12
45
18.500
12.065
BT50xB16
45
24.000
15.733
BT50xB18
45
32.000
17.780
BT50xB22
45
40.500
21.793